Превратить в искусственные кости… обычный полиэтилен удалось российским ученым из Национального исследовательского технологического университета МИСиС, Института физиологически активных веществ РАН и Сколковского института науки и технологий. Причем в качестве вспомогательного вещества они использовали поваренную соль.
Сверхвысокомолекулярный полиэтилен (СВМПЭ) уже используется в современных искусственных суставах наряду с металлами и керамикой. Это плотный, прочный и безопасный для живых тканей полимер. Благодаря этим свойствам материал можно использовать для создания искусственных костей.
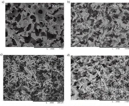
До последнего времени проблема их создания упиралась в отсутствие в СВМПЭ пористости. Она нужна костям для прорастания кровеносных сосудов и миграции костных клеток. Однако создать сложные внутренние структуры в сверхвысокомолекулярном полиэтилене непросто. Например, 3D-печать здесь не помогает, поскольку при плавлении СВМПЭ остается слишком вязким.
Как сообщили «МК» в Российском научном фонде, который поддержал работу, решить проблему помогла технология, предложенная в НИТУ МИСиС, согласно которой полимер смешивают с поваренной солью. После из готового изделия соль вымывают — вместо ее частиц остаются поры соответствующего размера.
Ученые протестировали материал на прочность при сжатии и на эластичность, а также изучили его с помощью электронного микроскопа. В итоге было подтверждено, что механические свойства оказались одинаковыми независимо от размера пор, но материал оказался менее упругий, чем обычные кости. Следующим шагом исследователей будет комбинация полученной пористой основы с другими, более плотными материалами из полиэтилена для создания полноценной искусственной кости.
Мария Быкова Заголовок в газете: Ради создания искусственных костей пришлось засолить полиэтилен
Превратить в искусственные кости… обычный полиэтилен удалось российским ученым из Национального исследовательского технологического университета МИСиС, Института физиологически активных веществ РАН и Сколковского института науки и технологий. Причем в качестве вспомогательного вещества они использовали поваренную соль. Сверхвысокомолекулярный полиэтилен (СВМПЭ) уже используется в современных искусственных суставах наряду с металлами и керамикой. Это плотный, прочный и безопасный для живых тканей полимер. Благодаря этим свойствам материал можно использовать для создания искусственных костей. До последнего времени проблема их создания упиралась в отсутствие в СВМПЭ пористости. Она нужна костям для прорастания кровеносных сосудов и миграции костных клеток. Однако создать сложные внутренние структуры в сверхвысокомолекулярном полиэтилене непросто. Например, 3D-печать здесь не помогает, поскольку при плавлении СВМПЭ остается слишком вязким. Как сообщили «МК» в Российском научном фонде, который поддержал работу, решить проблему помогла технология, предложенная в НИТУ МИСиС, согласно которой полимер смешивают с поваренной солью. После из готового изделия соль вымывают — вместо ее частиц остаются поры соответствующего размера. Ученые протестировали материал на прочность при сжатии и на эластичность, а также изучили его с помощью электронного микроскопа. В итоге было подтверждено, что механические свойства оказались одинаковыми независимо от размера пор, но материал оказался менее упругий, чем обычные кости. Следующим шагом исследователей будет комбинация полученной пористой основы с другими, более плотными материалами из полиэтилена для создания полноценной искусственной кости. Мария Быкова Заголовок в газете: Ради создания искусственных костей пришлось засолить полиэтилен
0
Поделиться новостью
Комментарии